- Telefon: +49 (0) 40-66 999 2-0
- Fax: +49 (0) 40-66 999 222
- info@berghoefer-hamburg.de
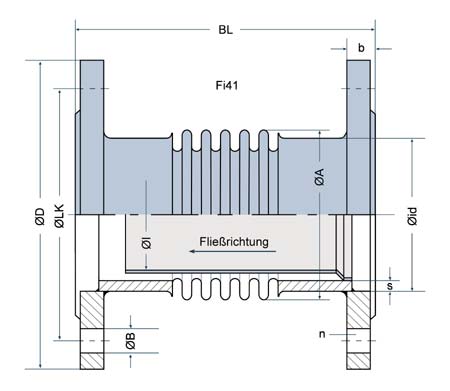
Typ Fi41
KontaktTyp Fi41
Aufbau
- Balg PN16 mit Leitrohr, Rohrstutzen und Festflanschen nach DIN PN10 gebohrt
Nennweite
- Nennweite DN 15 - DN 250
Werkstoffe
- Balg PN 16 aus 1.4541
- Flansche aus Stahl, optional aus Edelstahl
- Leitrohr aus Edelstahl. Rohrstutzen aus Stahl, optional aus Edelstahl
Druckstufen
- PN 16 (BD 16 bar, BT 20°C)
- Optional: PN 1 bis PN 40
Baulänge
- Standardbaulängen laut Tabelle
- Sämtliche Sonderbaulängen möglich
Hinweis
Die angegebenen Bewegungsaufnahmen sollten nicht gleichzeitig auftreten, da der Kompensator dadurch auslenken kann.
| DN | BL | A | axial | I | s | wqs | id | D | b | LK | n | B | |
|---|---|---|---|---|---|---|---|---|---|---|---|---|---|
| Nennweite | Baulänge | Außendurchmesser | Bewegungsaufnahme | Balg Innendurchmesser | Wandstärke | wirksamer Querschnitt | Innendurchmesser | Durchmesser | Blattstärke | Lochkreis | Anzahl Bohrungen | Durchmesser Bohrung | |
| in mm | Ø in mm | in mm | Ø in mm | in mm | cm² | Ø in mm | Ø in mm | in mm | Ø in mm | Bohrungen | Ø in mm | ||
| DN15 bis DN250: beidseitig PN10 | |||||||||||||
| 15 | 200 | 36 | 10 | 14 | 2 | 7 | 21.3 | 95 | 14 | 65 | 4 | 14 | |
| 20 | 200 | 36 | 10 | 18 | 2.3 | 7 | 26.9 | 105 | 16 | 75 | 4 | 14 | |
| 25 | 210 | 42 | 12.5 | 23.9 | 2.6 | 10 | 33.7 | 115 | 16 | 85 | 4 | 14 | |
| 32 | 210 | 50 | 12.5 | 30.7 | 2.6 | 14.5 | 42.4 | 140 | 16 | 100 | 4 | 18 | |
| 40 | 215 | 60 | 12.5 | 39 | 2.6 | 22 | 48.3 | 150 | 16 | 110 | 4 | 18 | |
| 50 | 245 | 75 | 15 | 49 | 2.9 | 34 | 60.3 | 165 | 18 | 125 | 4 | 18 | |
| 65 | 270 | 90 | 20 | 65 | 2.9 | 50 | 76.1 | 185 | 18 | 145 | 4 | 18 | |
| 80 | 270 | 110 | 22.5 | 77 | 3.2 | 74.5 | 88.9 | 200 | 20 | 160 | 8 | 18 | |
| 100 | 285 | 133 | 22.5 | 100 | 3.6 | 111 | 114.3 | 220 | 20 | 180 | 8 | 18 | |
| 125 | 310 | 157 | 22.5 | 121 | 4 | 159 | 139.7 | 250 | 22 | 210 | 8 | 18 | |
| 150 | 345 | 190 | 32.5 | 150 | 4.5 | 236 | 168.3 | 285 | 24 | 240 | 8 | 22 | |
| 200 | 390 | 250 | 32.5 | 200 | 6.3 | 419 | 219.1 | 340 | 24 | 295 | 8 | 22 | |
| 250 | 395 | 300 | 32.5 | 250 | 6.3 | 615 | 273 | 395 | 26 | 350 | 12 | 22 | |