- Telefon: +49 (0) 40-66 999 2-0
- Fax: +49 (0) 40-66 999 222
- info@berghoefer-hamburg.de
Typ FA41
KontaktTyp FA41
Aufbau
- BaIg PN 16 mit Rohrstutzen, Außenschutzmantel und Festflanschen
Nennweite
- Nennweite DN 15 - DN 250
- Optional: bis DN 3000
Werkstoffe
- Rohrstutzen aus Stahl, optional aus Edelstahl
- Flansche aus Stahl, optional aus Edelstahl
- BaIg PN 16 aus 1.4541, optional auch 1.4571 oder 1.4828
- Außenschutzmantel aus C-Stahl, optional aus Edelstahl
Druckstufen
- PN 16 (BD 16 bar, BT 20°C)
- Optional: PN 1 bis PN 40
Baulänge
- Standardbaulängen laut Tabelle
- Sämtliche Sonderbaulängen möglich
Hinweis
Die angegebenen Bewegungsaufnahmen sollten nicht gleichzeitig auftreten, da der Kompensator dadurch auslenken kann.
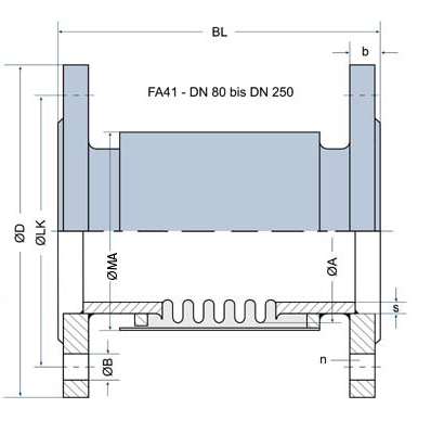
| DN | BL | A | axial | wqs | MA | D | b | LK | n | B | |
|---|---|---|---|---|---|---|---|---|---|---|---|
| Nennweite | Baulänge | Außendurchmesser | Bewegungsaufnahme | wirksamer Querschnitt | Außenschutzmantel | Durchmesser | Blattstärke | Lochkreis | Anzahl Bohrungen | Durchmesser Bohrung | |
| in mm | Ø in mm | in mm | cm² | Ø in mm | Ø in mm | in mm | Ø in mm | Bohrungen | Ø in mm | ||
| DN15 bis DN250: beidseitig PN10 | |||||||||||
| 15 | 200 | 36 | 10 | 7 | 43 | 95 | 14 | 65 | 4 | 14 | |
| 20 | 200 | 36 | 10 | 7 | 43 | 105 | 16 | 75 | 4 | 14 | |
| 25 | 210 | 42 | 12.5 | 10 | 49 | 115 | 16 | 85 | 4 | 14 | |
| 32 | 210 | 50 | 12.5 | 14.5 | 57 | 140 | 16 | 100 | 4 | 18 | |
| 40 | 215 | 60 | 12.5 | 22 | 68 | 150 | 16 | 110 | 4 | 18 | |
| 50 | 230 | 75 | 15 | 34 | 83 | 165 | 18 | 125 | 4 | 18 | |
| 65 | 260 | 90 | 20 | 50 | 99 | 185 | 18 | 145 | 4 | 18 | |
| 80 | 270 | 110 | 22.5 | 74.5 | 120 | 200 | 20 | 160 | 8 | 18 | |
| 100 | 285 | 133 | 22.5 | 111 | 145 | 220 | 20 | 180 | 8 | 18 | |
| 125 | 310 | 157 | 22.5 | 159 | 170 | 250 | 22 | 210 | 8 | 18 | |
| 150 | 345 | 190 | 32.5 | 236 | 204 | 285 | 24 | 240 | 8 | 22 | |
| 200 | 390 | 250 | 32.5 | 419 | 273 | 340 | 24 | 295 | 8 | 22 | |
| 250 | 395 | 300 | 32.5 | 615 | 324 | 395 | 26 | 350 | 12 | 22 | |